Product Summary
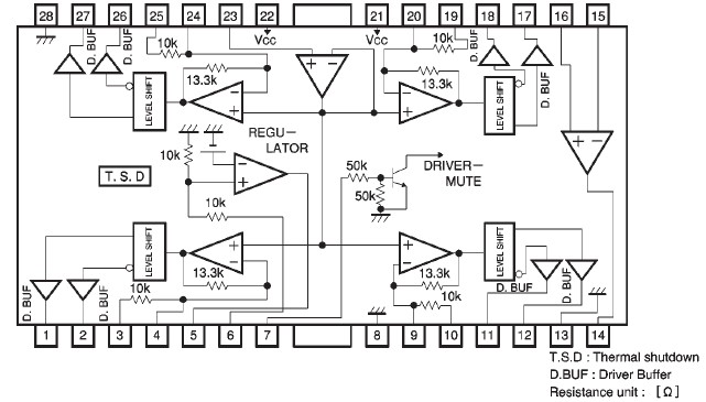
The BA6897FP-T1 is a 4-channel BTL driver. It can be used in CD players, CD-ROM drives.
Parametrics
BA6897FP-T1 absolute maximum ratings: (1)Power Supply Voltage: 18 V; (2)power dissipation: 1.7 W; (3)Operating Temperature:–35 to +85 °C; (4)Storage Temperature:–55 to +150 °C.
Features
BA6897FP-T1 features: (1)Minimal number of external components; (2)Driver gain is adjustable with just one attached resistor; (3)Internal 5V regulator (attached PNP transistor necessary); (4)Internal standard operational amplifier; (5)Internal thermal shutdown circuit.
Diagrams

(Hong Kong)






